1. Jelaskan karakteristik op amp dan fungsi dari op amp!
2. Jelaskan macam macam aplikasi op amp beserta fungsinya!
3. Jelaskan apa itu inverting, dan non inverting, bandingkan sinyal input dan output!
4. Jelaskan rangkaian inverting adder dan non inverting adder! (sertakan gambarnya)
5. Buktikan turunan rumus inverting adder ! (sertakan gambarnya)
Rangkaian :
- Buatlah rangkaian inverting dan non inverting
- Buatlah rangkaian adder inverting dan adder non inverting (Masing masing dilengkapi dengan signal generator dan osiloskop)
1. Karakteristik dan fungsi Op-Amp
Ada tiga karakteristik utama op-amp ideal, yaitu;
- Gain sangat besar (AOL >>): Penguatan open loop adalah sangat besar karena feedback-nya tidak ada atau RF = tak terhingga.
- Impedansi input sangat besar (Zi >>): Impedansi input adalah sangat besar sehingga arus input ke rangkaian dalam op-amp sangat kecil sehingga tegangan input sepenuhnya dapat dikuatkan.
- Impedansi output sangat kecil (Zo <<).
2. Macam-macam Aplikasi Op-Amp beserta Fungsinya
Terdapat banyak sekali penggunaan dari penguat operasional dalam berbagai jenis sirkuit listrik. Di bawah ini dipaparkan beberapa penggunaan umum dari penguat operasional dalam contoh sirkuit:
1. Komparator (rangkaian pembanding )
Merupakan salah satu aplikasi yang memanfaatkan penguatan terbuka (open-loop gain) penguat operasional yang sangat besar. Ada jenis penguat operasional khusus yang memang difungsikan semata-mata untuk penggunaan ini dan agak berbeda dari penguat operasional lainnya dan umum disebut juga dengan komparator .
Komparator membandingkan dua tegangan listrik dan mengubah keluarannya untuk menunjukkan tegangan mana yang lebih tinggi.
2. Penguat Pembalik ( Inverting amplifier )
Sebuah penguat pembalik menggunakan umpan balik negatif untuk membalik dan menguatkan sebuah tegangan.Resistor Rf melewatkan sebagian sinyal keluaran kembali ke masukan. Karena keluaran taksefase sebesar 180°, maka nilai keluaran tersebut secara efektif mengurangi besar masukan.Ini mengurangi bati keseluruhan dari penguat dan disebut dengan umpan balik negatif.
- Zin = Rin (karena V adalah virtual ground.
- Sebuah resistor dengan nilai
, ditempatkan di antara masukan non-pembalik dan bumi. Walaupun tidak dibutuhkan, hal ini mengurangi galat karena arus bias masukan.
Tanda negatif menunjukkan bahwa keluaran adalah pembalikan dari masukan. Contohnya jika Rf adalah 10.000 Ω dan Rin adalah 1.000 Ω, maka nilai bati adalah -10.000Ω / 1.000Ω, yaitu -10.
3. Penguat tak pembalik (Non Inverting Amplifier )
penguat Non Inverting amplifier merupakan kebalikan dari penguat inverting,dimana Input dimasukkan pada input non inverting sehingga polaritas output akan sama dengan polaritas input tapi memiliki penguatan yang tergantung dari besarnya Rfeedback dan Rinput.
Rumus penguatan penguat non-pembalik adalah sebagai berikut:
4. Penguat Differensiator
Penguat diferensial digunakan untuk mencari selisih dari dua tegangan yang telah dikalikan dengan konstanta tertentu yang ditentukan oleh nilai resistansi yaitu sebesar Rf/R1 untuk R1=R2 dan Rf=RG . Penguat jenis ini berbeda dengan diferensiator.Rumus yang digunakan adalah sebagai berikut:
5. Rangkaian penguat penjumlah (Summing amplifier )
Penguat penjumlah menjumlahkan beberapa tegangan masukan, dengan persamaan sebagai berikut:
- Keluaran adalah terbalik.
- Impedansi masukan dari masukan ke-n adalah Zin = Rin (karena V adalah Virtual ground).
6. penguat integrator (Integrator Amplifier )
Penguat ini mengintegrasikan tegangan masukan terhadap waktu, dengan persamaan:
di mana t adalah waktu dan Vmula adalah tegangan keluaran pada t= 0.
Sebuah integrator dapat juga dipandang sebagai tapis pelewat-tinggi dan dapat digunakan untuk rangkaian tapis aktif.
7. Differensiator
Mendiferensiasikan sinyal hasil pembalikan terhadap waktu dengan persamaan:
di mana Vin dan Vout adalah fungsi dari waktu.
Pada dasarnya diferensiator dapat juga dibangun dari integrator dengan cara mengganti kapasitor dengan induktor, namun tidak dilakukan karena harga induktor yang mahal dan bentuknya yang besar.Diferensiator dapat juga dilihat sebagai tapis pelewat-rendah dan dapat digunakan sebagai tapis aktif.
3. Inverting dan Non Inverting
Jawab :
Adapun rangkaian inverting amplifier adalah seperti gambar 113 dimana sesuai dengan namanya yaitu dengan input dimasukkan ke kaki inverting (pembalik) sehingga output akan dibalik atau beda fasa sebesar 180 derajat.
Untuk mencari turunan penguatan tegangan ACL maka rangkaian dimisalkan dahulu dengan input dc positif, seperti gambar 114. Dalam analisa rangkaian amplifier disyaratkan op-amp bekerja ideal sehingga tegangan differensial (selisih tegangan di kaki non inverting terhadap tegangan di kaki inverting) Ed = 0, artinya VA (tegangan di titik A) = 0 sehingga arus yang melewati Ri sama dengan arus yang melewati Rf karena arus yang masuk ke kaki inverting sangat kecil karena sifat op-amp dimana impendasi (Zi) inputnya sangat besar. Adapun rangkaian pengganti untuk menghitung arus I .
Dari rangkaian gambar 114 dengan Ed = 0 maka VA = 0 sehingga rangkaian dapat disederhanakan menjadi seperti gambar 51 untuk mencari arus I.
Rangkaian non inverting amplifier (tidak membalik) adalah seperti gambar 122, input dimasukkan ke kaki non inverting sehingga tegangan output yang dihasilkan sefasa dengan tegangan input. Untuk mencari turunan penguatan tegangan ACL maka rangkaian dimisalkan dahulu dengan input dc positif, seperti gambar 123.
Gambar 123 Rangkaian non inverting amplifier dengan input dc positif
Dari rangkaian gambar 123 dengan syarat op-amp ideal Ed = 0 maka VA= Vi
sehingga rangkaian dapat disederhanakan untuk mencari arus I seperti gambar 124.
Adapun hasil simulasi bentuk gelombang I-O seperti gambar 125 dan karakteristik I-O seperti gambar 126.
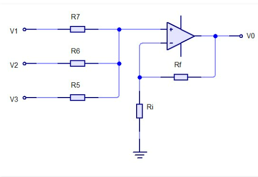
4. Inverting Adder dan Non Inverting Adder
Pada operasi adder secara inverting, sinyal input (V1, V2, V3) diberikan ke line input penguat inverting berturut-turut melalui R1, R2, R3. Besarnya penjumlahan sinyal input tersebut bernilai negatif karena penguat operasional dioperasikan pada mode inverting.
Besarnya penguatan tegangan tiap sinyal input mengikuti nilai perbandingan Rf dan masing-masing resistor input (R1, R2, R3). Masing-masing tegangan output (Vout) dari penguatan masing-masing sinyal tersebut secara matematis dapat dituliskan sebagai berikut :
Op-amp sebagai penguat dapat difungsikan untuk melakukan operasi matematik seperti penjumlahan dan pengurangan terhadap sinyal masukan yang diberikan. Penguat adder berfungsi untuk menguatkan hasil operasi penjumlahan dari dua atau lebih sinyal masukan yang diberikan. Penguat adder juga sering disebut sebagai penguat summing. Pada dasarnya rangkaian dari penguat adder berupa penguat inverting yang diberi tambahan resistor untuk beberapa sinyal pada masukannya.
Rangkaian Adder/Penjumlah Non-Invertin
- Rangkaian Inverting
- Rangkaian Non Inverting
- Rangkaian Inverting Adder
- Rangkaian Non Inverting Adder
- Inverting
- Non Inverting
- Inverting Adder
- Non Inverting Adder
- Rangkaian Proteus Inverting Amplifier klik disini
- Rangkaian Proteus Non Inverting Amplifier klik disini
- Rangkaian Proteus Adder Inverting Amplifier klik disini
- Rangkaian Proteus Adder Non Inverting Amplifier klik disini
- Video Inverting Amplifier klik disini
- Video Non Inverting Amplifier klik disini
- Video Adder Inverting Amplifier klik disini
- Video Adder Non Inverting Amplifier klik disini
- Datasheets resistor : klik disini
- Datasheets OP AMP : klik disini
- Datasheets osiloskop : klik disini
- Datasheets signal generator : klik disini

































Tidak ada komentar:
Posting Komentar